Home
JAQForum Ver 24.01
Log In or Join  
Active Topics
Local Time 02:47 01 May 2026 Privacy Policy
Jump to

Notice. New forum software under development. It's going to miss a few functions and look a bit ugly for a while, but I'm working on it full time now as the old forum was too unstable. Couple days, all good. If you notice any issues, please contact me.

Forum Index : Microcontroller and PC projects : PicoMite/PicoMiteVGA V5.07.05 betas

     Page 6 of 11    
Author Message
matherp
Guru

Joined: 11/12/2012
Location: United Kingdom
Posts: 11252
Posted: 09:35am 03 Jul 2022
Copy link to clipboard 
Print this post

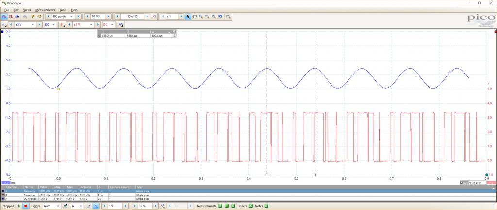
I've done more checking on the audio and don't think there is a bug in the firmware.
Attached is the output of my scope of a 10KHz waveform (PLAY TONE 10000,10000). The bottom trace is the actual pwm output. The top trace is the same data passed through a digital filter with a 5KHz knee.

Inspection of the bottom trace shows that there are no "odd" pulses and the filtered output appears perfect.

I have made one tiny change to the priority of the audio interrupt in b13 but since I couldn't demonstrate any issue in earlier versions I can't see if this has had any effect


 
Volhout
Guru

Joined: 05/03/2018
Location: Netherlands
Posts: 5863
Posted: 10:46am 03 Jul 2022
Copy link to clipboard 
Print this post

Thanks for looking at it!
I am not sure if it van be found with your setup. Your low pass filter may hide the artefacts because the rolloff at 5k(*) and I had to use deep memory at the scope to make it visible (at 10khz you may need 10000 cycles before you capture one).

If it really is the wrap around interrupt, feed it to a gpio pin, put the scope in persistent mode, you can see if it is stable, and always equally wide pulse width.

Volhout

(*) I assume you need this to suppress the 44kHz sufficiently.
PicomiteVGA PETSCII ROBOTS
 
bigmik

Guru

Joined: 20/06/2011
Location: Australia
Posts: 2980
Posted: 01:59pm 03 Jul 2022
Copy link to clipboard 
Print this post

Hi Peter, All,

  matherp said  Mick

Can you try all 4 orientations and let me know which are correct and which not - thanks


This was very hard to describe so I have compiled pictures, ALL photos are taken with the display in the same physical orientation as can be seen by the white USB lead on the top left of each image.

I will leave it to you to work out what needs to change





Kind Regards,

Mick
Mick's uMite Stuff can be found >>> HERE (Kindly hosted by Dontronics) <<<
 
matherp
Guru

Joined: 11/12/2012
Location: United Kingdom
Posts: 11252
Posted: 02:10pm 03 Jul 2022
Copy link to clipboard 
Print this post

Mick

Thanks for the pics - looks like they have wired this display different from the normal ILI9481. It will take multiple iterations to get right. Are you around for lots of trial and error?

Peter
 
bigmik

Guru

Joined: 20/06/2011
Location: Australia
Posts: 2980
Posted: 11:32pm 03 Jul 2022
Copy link to clipboard 
Print this post

Hi Peter, All,

It is all part of the fun. If you are prepared to write some code I am prepared to test it for you.
I will monitor this thread every hour or so and test when family pressure permits.

Now I have the ILI9488 to compare to it is an easy thing for me to test all of the modes.

It is a sunny day today so I hope to try the two types in full sunlight and compare the differences.
In the subdued lighting in my room it doesn’t seem much different.

Regards,

Mick
Edited 2022-07-04 09:33 by bigmik
Mick's uMite Stuff can be found >>> HERE (Kindly hosted by Dontronics) <<<
 
phil99

Guru

Joined: 11/02/2018
Location: Australia
Posts: 3166
Posted: 12:54am 04 Jul 2022
Copy link to clipboard 
Print this post

A very minor issue with PWM, it only accepts GP numbers. If this is intended could that be noted in the manual entry for the PWM command?

PicoMiteVGA MMBasic Version 5.07.05b13


> setpin 1, pwm
> pwm 1,10000,50
Error : Pin not set for PWM
> pwm gp0,10000,50
>
no error with GP0
 
bigmik

Guru

Joined: 20/06/2011
Location: Australia
Posts: 2980
Posted: 01:22am 04 Jul 2022
Copy link to clipboard 
Print this post

Hi All,

  bigmik said  It is a sunny day today so I hope to try the two types in full sunlight and compare the differences.


I went outside to test the 2 screens (ILI9481 and ILI9488) side by side and the results are interesting.

In direct Sunlight both displays were equally poor, neither could be read.

In the shade, similarly, both displays were more or less identical and both could be read easilly.

When Inside I had a really close look at them side by side and the following observations were made

The BLACK on the ILI9481 is marginally blacker than the ILI9488,

The ILI9488 fades as you look from an angle (starting at around 45 degrees) and the black background starts to go paler shades of grey from around 30 degrees viewing angle.

The ILI9481 on the other hand is viewable from as sharp an angle as I could look at it, even looking almost edge on and the black maintains its blackness

So I would think the ILI9481 might be a better choice overall, especially if Peter can improve the speed of the driver somehow.

I was going to try to take pictures but that was pretty hard getting both displays to be the same angle and heights etc and realistically it is mainly the viewing angle that is the main difference.

Hope this helps you decide on the best choice for your purpose.

Regards,

Mick
Mick's uMite Stuff can be found >>> HERE (Kindly hosted by Dontronics) <<<
 
Mixtel90

Guru

Joined: 05/10/2019
Location: United Kingdom
Posts: 8788
Posted: 06:20am 04 Jul 2022
Copy link to clipboard 
Print this post

@phil99

A bit inconsistent :)

It's good practice to always use the GP numbers anyway. Absolute pin numbers only apply to the original Raspberry Pi Pico module and won't necessarily work on anything else. They are not RP2040 pin numbers either. The GP numbers are a shortened form of the GPIOnn numbers used on the RP2040 chip so are compatible with all platforms.
Mick

Zilog Inside! nascom.info for Nascom & Gemini
Preliminary MMBasic docs & my PCB designs
 
matherp
Guru

Joined: 11/12/2012
Location: United Kingdom
Posts: 11252
Posted: 06:51am 04 Jul 2022
Copy link to clipboard 
Print this post

Mick

Please try the attached


PicoMite.zip


  Quote  A very minor issue with PWM, it only accepts GP numbers. If this is intended could that be noted in the manual entry for the PWM command?

PicoMiteVGA MMBasic Version 5.07.05b13


> setpin 1, pwm
> pwm 1,10000,50
Error : Pin not set for PWM
> pwm gp0,10000,50
>
no error with GP0


Sorry but it's user error. Check the manual. Pin one is on PWM channel 0. The PWM GP0 works because gp0 in this case is an uninitialised variable with the value 0

Try

SETPIN 1,pwm
pwm 0,10000,50
Edited 2022-07-04 16:53 by matherp
 
bigmik

Guru

Joined: 20/06/2011
Location: Australia
Posts: 2980
Posted: 08:09am 04 Jul 2022
Copy link to clipboard 
Print this post

Hi Peter, All,

Same same but different. There are changes from earlier but the 3 modes are still incorrect





It is interesting that in PORTRAIT mode the Target is in the same place as previously but the Text is chr by chr flipped horizontally.


Kind Regards,

Mick
Edited 2022-07-04 18:12 by bigmik
Mick's uMite Stuff can be found >>> HERE (Kindly hosted by Dontronics) <<<
 
phil99

Guru

Joined: 11/02/2018
Location: Australia
Posts: 3166
Posted: 08:26am 04 Jul 2022
Copy link to clipboard 
Print this post

@matherp
Thanks for the explanation.
 
Volhout
Guru

Joined: 05/03/2018
Location: Netherlands
Posts: 5863
Posted: 08:54am 04 Jul 2022
Copy link to clipboard 
Print this post

@Peter,

I have tried your b13 (tried the VGA version) and the audio problem can still be found.
I am not sure if it is a software issue.
AFAIK the PWM runs stand alone and only the capture/compare register is updated with sine samples. Is this a DMA thing ? Or is the ARM putting new values in (under interrupt?).

Anyway, when the compare register is updated at the wrong moment you may get a whole 44kHz cycle that is faulty. But this would happen far more frequent I guess.

Anyway, the faults in the audio happen at "random" moments, but sometimes they happen around the peaks of the sine wave, leading to a higher peak value. When the sine wave is 3.3Vpp, the level cannot get any higher, but if you use a higher frequency, the filter rolloff will attenuate the sine wave to a lower level, and the peak can be used to trigger the scope.
But you need a hardware filter to change the PWM to a sine wave.

So what I do is:
PLAY TONE 16000,16000
With my current test filter, this gives a 1.5Vpp sine wave (with intermodulation). Then I trigger the scope at 0Vdc and adjust the trigger upward until (single shot) I get a trigger. You can clearly see the fault.



This is the filter I currently use (these components where in my bin)



These "glitches" occur also at the high side.

Why am I using this method, of a frequency in the rolloff of the filter ?
Let's assume the values put into the PWM are the correct values. But they are simply delayed for some cause. The delay causes the frequency (temporary) to be lower, and lower frequencies are not attenuated that much, so they lead to higher levels. And levels you can trigger easily on a scope.

If you look at the markers in the oscilloscope picture, you see that these are 0.08ms appart. This means that in the 16kHz (62us) since wave there is one 12kHz (80us) cycle. So there is an 18us delay in the update of (one of the ? ) values of the sine wave.

Edit: the 18us is close enough to 22us, the cycle time of the PWM. Maybe the new value misses the pwm update slot, and the previos value is repeated once more, before, in the next slot the new value is used. Pwm updates are most likely hardware synchronized with the wrap around of the counter in the pwm.
Edited 2022-07-05 02:36 by Volhout
PicomiteVGA PETSCII ROBOTS
 
matherp
Guru

Joined: 11/12/2012
Location: United Kingdom
Posts: 11252
Posted: 08:00am 05 Jul 2022
Copy link to clipboard 
Print this post

PicoMite V5.07.05b14

https://geoffg.net/Downloads/picomite/PicoMite_Beta.zip

New commands:
BITBANG SERIALTX pinno, baudrate, ostring$
BITBANG SERIALRX pinno, baudrate, istring$, timeout_in_ms, status% [,nbr] [,terminators$]
Allows serial I/O on any pins.
status% returns:
-1 = timeout (NB: use len(istring$) to see number received)
2 = number of characters requested satisfied
3 = terminating character satisfied
baudrate in both cases 110-230400 (230400 may need CPU to be overclocked). NB: both commands are blocking and both disable interrupts during operation.

ILI9481N renamed to ILI9481IPS, driver still in beta and only correct in landscape
Edited 2022-07-05 18:01 by matherp
 
bigmik

Guru

Joined: 20/06/2011
Location: Australia
Posts: 2980
Posted: 08:40am 05 Jul 2022
Copy link to clipboard 
Print this post

GDay Peter, All,

  matherp said  

ILI9481N renamed to ILI9481IPS, driver still in beta and only correct in landscape


Did you notice the latest photos I attached the other day. Peter? I did it in the same format as the original comparison so you may have thought it was the original and not a new comparison.

Regards,

Mick
Edited 2022-07-05 18:40 by bigmik
Mick's uMite Stuff can be found >>> HERE (Kindly hosted by Dontronics) <<<
 
matherp
Guru

Joined: 11/12/2012
Location: United Kingdom
Posts: 11252
Posted: 08:56am 05 Jul 2022
Copy link to clipboard 
Print this post

Mick - yes thanks. I will give up until my board arrives to avoid wasting both our times
 
bigmik

Guru

Joined: 20/06/2011
Location: Australia
Posts: 2980
Posted: 09:11am 05 Jul 2022
Copy link to clipboard 
Print this post

Fair enough Peter,

I have many other board options to keep me happy.

Regards,

Mick
Mick's uMite Stuff can be found >>> HERE (Kindly hosted by Dontronics) <<<
 
Martin H.

Guru

Joined: 04/06/2022
Location: Germany
Posts: 1447
Posted: 06:12pm 06 Jul 2022
Copy link to clipboard 
Print this post

Hi,
after the BLIT Command is no longer in future MM-Basic versions,
Will it be possible to give the Srites an attribut which makes them opaque?
'no comment
 
lizby
Guru

Joined: 17/05/2016
Location: United States
Posts: 3743
Posted: 06:39pm 06 Jul 2022
Copy link to clipboard 
Print this post

  Martin H. said  after the BLIT Command is no longer in future MM-Basic versions


What does this refer to? I searched this entire thread, and the only other reference to BLIT was not related to this.
PicoMite, Armmite F4, SensorKits, MMBasic Hardware, Games, etc. on FOTS
 
Martin H.

Guru

Joined: 04/06/2022
Location: Germany
Posts: 1447
Posted: 07:07pm 06 Jul 2022
Copy link to clipboard 
Print this post

  lizby said  
  Martin H. said  after the BLIT Command is no longer in future MM-Basic versions


What does this refer to? I searched this entire thread, and the only other reference to BLIT was not related to this.

it refers to the Topic :PicoMiteVGA V5.07.05 betas
So, naive as I am, I thought that I could ask questions, relating to PicoMiteVGA V5.07.05 betas.
'no comment
 
Mixtel90

Guru

Joined: 05/10/2019
Location: United Kingdom
Posts: 8788
Posted: 07:14pm 06 Jul 2022
Copy link to clipboard 
Print this post

I've not been keeping up with the Beta releases. Silly me.

I have two PicoMites here and I've tried b14 on both. I got one to synch ok for a short period (but I don't know how), but both have bad line tearing, making the characters all but unreadable.

I tried nukeing the flash, getting a new download and trying again but it was the same.

I've just returned one of them to 5.07.04 and it's fine.

Both can be accessed via the console ok.

I'm assuming that it's my monitor that's not quite flexible enough to capture Hsync properly. Has anyone else had screen problems with the betas?



EDIT:
I've just tried to get the monitor to auto-synch. It didn't work. Reported frequencies are 30kHz horizontal and 59kHz vertical.

I managed to get another synch. The heartbeat LED was continuously on and the keyboard was dead.
Edited 2022-07-07 06:05 by Mixtel90
Mick

Zilog Inside! nascom.info for Nascom & Gemini
Preliminary MMBasic docs & my PCB designs
 
     Page 6 of 11    
Print this page
The Back Shed's forum code is written, and hosted, in Australia.
© JAQ Software 2026