Home
JAQForum Ver 24.01
Log In or Join  
Active Topics
Local Time 08:12 01 May 2026 Privacy Policy
Jump to

Notice. New forum software under development. It's going to miss a few functions and look a bit ugly for a while, but I'm working on it full time now as the old forum was too unstable. Couple days, all good. If you notice any issues, please contact me.

Forum Index : Microcontroller and PC projects : Circuit diagram software

     Page 1 of 2    
Author Message
Herry

Senior Member

Joined: 31/05/2014
Location: Australia
Posts: 261
Posted: 07:26pm 20 Mar 2016
Copy link to clipboard 
Print this post

Wondering if posters have a recommendation. Tried TinyCAD but no MM size IC symbol and generally a bit clunky.

(Using Pebble very happily for breadboard and Vero layouts)Edited by Herry 2016-03-22
Senior?!  Whatever it says, I'm a complete and utter beginner...
 
MicroBlocks

Guru

Joined: 12/05/2012
Location: Thailand
Posts: 2209
Posted: 07:41pm 20 Mar 2016
Copy link to clipboard 
Print this post

Diptrace.
I use it for schematics, pcb with panelizing, custom parts, 3D models etc.
When you are not using to many parts it is free.
Already use it for about 2 years now and it is very reliable and so far i can make anything i want.
Also making new parts is straight forward.
Export for making gerbers after setting up is just a few clicks.

Microblocks. Build with logic.
 
palcal

Guru

Joined: 12/10/2011
Location: Australia
Posts: 2039
Posted: 10:10pm 20 Mar 2016
Copy link to clipboard 
Print this post

I've tried a few I use Diptrace free version.
Paul.
"It is better to be ignorant and ask a stupid question than to be plain Stupid and not ask at all"
 
Gizmo

Admin Group

Joined: 05/06/2004
Location: Australia
Posts: 5177
Posted: 10:23pm 20 Mar 2016
Copy link to clipboard 
Print this post

I've used this one a couple of times lately, web based, no downloaded needed.

http://www.digikey.com.au/schemeit/

Glenn
The best time to plant a tree was twenty years ago, the second best time is right now.
JAQ
 
Grogster

Admin Group

Joined: 31/12/2012
Location: New Zealand
Posts: 9938
Posted: 10:30pm 20 Mar 2016
Copy link to clipboard 
Print this post

Here we go with the PCB software again.....

I prefer and use Sprint Layout 6 but that is just me.

This software will allow you to do single-sided, double-sided and four-layer boards.
I have not yet needed more then 4-layer, so the fact it lacks 6-layer is not really an issue - for me. Six-layer board are generally very expensive anyway.

There are plenty of choices, and some members prefer the free softwares.
I like SL6 cos it is relatively simple, easy to learn, and small so does not gobble up heaps of PC resources like some of the larger professional packages can.

...again, this is just my 2c...
Smoke makes things work. When the smoke gets out, it stops!
 
robert.rozee
Guru

Joined: 31/12/2012
Location: New Zealand
Posts: 2508
Posted: 10:56pm 20 Mar 2016
Copy link to clipboard 
Print this post

for simple circuit diagrams, you might like to try DIY layout creator:
https://github.com/bancika/diy-layout-creator
https://github.com/bancika/diy-layout-creator/archive/master.zip

it is a very basic structured drawing program, allowing you to lay out simple schematics and create veroboard designs. it is NOT an integrated schematic capture and PCB CAD system. for my purposes, it serves well as a simple means to create circuit diagrams for publication. one strength is the ability to overlay objects, so for instance, one can place a circle over a transistor, or build up a complex shape:




cheers,
rob :-)
 
Pete Locke
Senior Member

Joined: 26/06/2013
Location: New Zealand
Posts: 182
Posted: 12:17am 21 Mar 2016
Copy link to clipboard 
Print this post

....Windoze Paint for the simple stuff. A wet afternoon when the lawns can't be mown can see a great collection of hand drawn components in a library. Also use it for PC layup. Easy enough to scan a sample of vero board for 0.15 matrix, and it will print to scale once designed for the old stick and punch method of one off boards. But that's me, I'm cheap


 
Herry

Senior Member

Joined: 31/05/2014
Location: Australia
Posts: 261
Posted: 06:30pm 22 Mar 2016
Copy link to clipboard 
Print this post

Thanks for replies. I've been looking quite closely at Diptrace and it is much too complicated for me. I am happy with Pebble for breadboarding and at the moment I do not want to progress to a PCB (although I believe they are remarkably cheap to have made). What I would like for now is a *simple* way to draw circuit diagrams, where I can move elements around and retitle them at will.

Senior?!  Whatever it says, I'm a complete and utter beginner...
 
Herry

Senior Member

Joined: 31/05/2014
Location: Australia
Posts: 261
Posted: 06:37pm 22 Mar 2016
Copy link to clipboard 
Print this post

Tried Robert's simple one, but after downloading and unzipping could not find an exe fileEdited by Herry 2016-03-24
Senior?!  Whatever it says, I'm a complete and utter beginner...
 
Grogster

Admin Group

Joined: 31/12/2012
Location: New Zealand
Posts: 9938
Posted: 06:39pm 22 Mar 2016
Copy link to clipboard 
Print this post

Opps - you wanted circuit diagram schematic software, not PCB software - sorry.

Have a look at Splan 6.
Also not free software, but I like this one too for my schematics.
Smoke makes things work. When the smoke gets out, it stops!
 
Herry

Senior Member

Joined: 31/05/2014
Location: Australia
Posts: 261
Posted: 06:54pm 22 Mar 2016
Copy link to clipboard 
Print this post

Now Splan that looks the part Grogster! Trying the free trial version 7. You've done it again. Couldn't find a 28 pin DIL though...
Senior?!  Whatever it says, I'm a complete and utter beginner...
 
Herry

Senior Member

Joined: 31/05/2014
Location: Australia
Posts: 261
Posted: 07:16pm 22 Mar 2016
Copy link to clipboard 
Print this post

...and now I think I have that answer. It is created in Component editor, using say the 24 pin and editing it and saving it as a 28 pin? Right?
Senior?!  Whatever it says, I'm a complete and utter beginner...
 
robert.rozee
Guru

Joined: 31/12/2012
Location: New Zealand
Posts: 2508
Posted: 08:01pm 22 Mar 2016
Copy link to clipboard 
Print this post

oops, that link was to the mac specific version. try this one, the multi-platform version that includes a windows executable:

https://github.com/bancika/diy-layout-creator/releases/download/REL_3_28_0_MP/diylc-3.28.0.zip

cheers,
rob :-)
 
HankR
Senior Member

Joined: 02/01/2015
Location: United States
Posts: 209
Posted: 09:08pm 22 Mar 2016
Copy link to clipboard 
Print this post

This is a great thread. I also would like a simple schematic program, but so far none mentioned have fit the bill.

My wish list is:

1. Absolute freeware. No crippleware or time limited trial software.

2. Simple program. If it's more than 4 Megs unzipped it has probably too many features. No project files, please. No extensive symbols libraries, either.

3. It should run on WIN 98. If it doesn't, it's probably more complex than I need.
(I will run it on XP, but WIN 98 is a sort of litmus test.)

I used to have a nice one that was a breeze to use, but it's back several generations of computers and OSs. It might have run under WIN 3.1; WIN95 for sure. If I could find it, I'd list it here on TBS.

HankEdited by HankR 2016-03-24
 
Grogster

Admin Group

Joined: 31/12/2012
Location: New Zealand
Posts: 9938
Posted: 09:39pm 22 Mar 2016
Copy link to clipboard 
Print this post

WIN98?!

Folks, I think we have found one of our W98 forum members!

Seriously though, W98 is essentially dead(with no disrespect to those still using it), so I seriously doubt you will find any modern software that will support it let alone stay inside 4MB.

I'd like to be proven wrong, though....

I used to use Paintbrush for Windows 3.11 to do my early schematics, and I still have a full library of symbols for it.

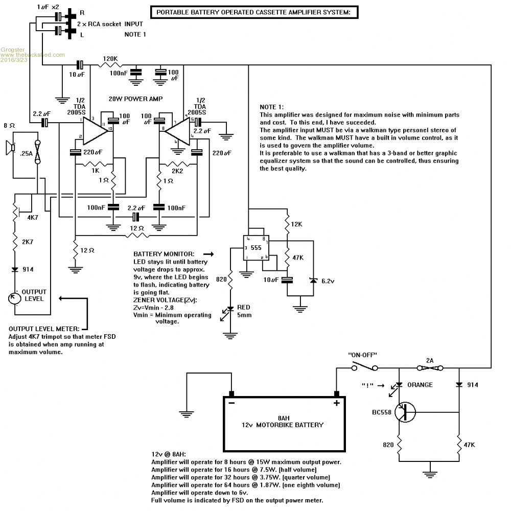
Here is a schematic I drew using that method years ago:





This was an ancient old amp I built for camping long before the days of iPods and other efficient battery powered stuff. It has a datestamp of June the 3rd, 1996.
Note it was to be plugged into a cassette walkman.....

Anyway, that schematic was drawn using Paintbrush for Windows 3.11
I preferred that over Paint for Windows 95 or 98, as PB3.11 was smaller, and even easier to work with then Paint was.


Smoke makes things work. When the smoke gets out, it stops!
 
Grogster

Admin Group

Joined: 31/12/2012
Location: New Zealand
Posts: 9938
Posted: 10:09pm 22 Mar 2016
Copy link to clipboard 
Print this post

Here is another image:





This is how I drew my DIL chips at the time...
Smoke makes things work. When the smoke gets out, it stops!
 
Herry

Senior Member

Joined: 31/05/2014
Location: Australia
Posts: 261
Posted: 12:26am 23 Mar 2016
Copy link to clipboard 
Print this post

z80? Brings back memories of programming the TRS-80!
Senior?!  Whatever it says, I'm a complete and utter beginner...
 
Herry

Senior Member

Joined: 31/05/2014
Location: Australia
Posts: 261
Posted: 07:34am 23 Mar 2016
Copy link to clipboard 
Print this post

Well I downloaded the full paid version of sPlan 7 and it looks very good. I am having trouble creating a DIL 28 (for the Micromite) though. I copy a DIL24, edit it at length (more pins etc) and (I thought) save it. But on opening up the program although the new 'DIL28' is now in the component library, all my edits are lost (ie it is still an unedited copy of the DIL24)> I tried to query this on an sPlan forum, but all those appear to be in German!
Senior?!  Whatever it says, I'm a complete and utter beginner...
 
Grogster

Admin Group

Joined: 31/12/2012
Location: New Zealand
Posts: 9938
Posted: 04:02pm 23 Mar 2016
Copy link to clipboard 
Print this post

I have Splan6 and use it often, so I will have a gander at this later tonight(my time), and post back here.

EDIT: Could not help it - had to have a look at this now.
Works for me.....





Bear in mind, this is the fully-registered paid for version I am using.
If you are using the TRIAL version of the full program(IE: you have not purchased a copy from them), then the trial version won't let you save any changes - that's a limitation of the trial version, from what I can remember.Edited by Grogster 2016-03-25
Smoke makes things work. When the smoke gets out, it stops!
 
Herry

Senior Member

Joined: 31/05/2014
Location: Australia
Posts: 261
Posted: 05:53pm 23 Mar 2016
Copy link to clipboard 
Print this post

Yes, now OK. Only problem is getting straight wires in the right place. My mouse hand either goes too far or not enough, leaving a badly jagged line. Normally I would nudge the position of one end of the line using keyboard CTRL-Arrow, but that doesn't work on one end of a line. It moves the whole line.Edited by Herry 2016-03-25
Senior?!  Whatever it says, I'm a complete and utter beginner...
 
     Page 1 of 2    
Print this page
The Back Shed's forum code is written, and hosted, in Australia.
© JAQ Software 2026