Home
JAQForum Ver 24.01
Log In or Join  
Active Topics
Local Time 06:32 25 Apr 2026 Privacy Policy
Jump to

Notice. New forum software under development. It's going to miss a few functions and look a bit ugly for a while, but I'm working on it full time now as the old forum was too unstable. Couple days, all good. If you notice any issues, please contact me.

Forum Index : Microcontroller and PC projects : Programming PICs

Author Message
MOBI
Guru

Joined: 02/12/2012
Location: Australia
Posts: 819
Posted: 03:06pm 12 Dec 2012
Copy link to clipboard 
Print this post



Hi,

I've trawled through many posts and am going cross eyed.

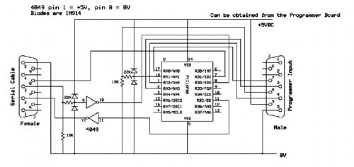
Has anyone here used the SiliconChip pic processor of a few years ago - it used to work using the various RS232 control lines for data and clock. When the comm ports were done away with, using a USB-serial cable either didn't work or was painfully slow.

I don't know whether a hardware upgrade was ever done. In the end, I built a pic/max202 interface that sat between the PC and the pic programmer and chatted away in VB6 RS232 - the USB-serial cable worked quite well then particularly if plugged into an external USB hub (couldn't explain that one) This version uses a 4049 inverter instead of a max202/232 - both work equally well.






Edited by MOBI 2012-12-14
David M.
 
loki
Newbie

Joined: 23/12/2011
Location: Australia
Posts: 7
Posted: 06:15pm 17 Dec 2012
Copy link to clipboard 
Print this post

Yes I have one of these PIC programmers and I still use it.
It's hooked up to a Windows 98 pc I have, so there's no problem with the com port serial connection. However if my win98 pc ever dies your workaround should prove very useful. thanks!
 
MOBI
Guru

Joined: 02/12/2012
Location: Australia
Posts: 819
Posted: 07:58pm 17 Dec 2012
Copy link to clipboard 
Print this post

[quote=loki]if my win98 pc ever dies your workaround should prove very useful[/quote]

Ok, I might just go ahead and do an article on the dongle and include the data i/o format and protocol.

Anyone handy with VBasic could write a simple programmer. Mine has a bug or two, but works good enough for me, certainly does most of the midrange 8 bit devices.

d.m.

David M.
 
Print this page


To reply to this topic, you need to log in.

The Back Shed's forum code is written, and hosted, in Australia.
© JAQ Software 2026