Home
JAQForum Ver 24.01
Log In or Join  
Active Topics
Local Time 03:26 26 Apr 2026 Privacy Policy
Jump to

Notice. New forum software under development. It's going to miss a few functions and look a bit ugly for a while, but I'm working on it full time now as the old forum was too unstable. Couple days, all good. If you notice any issues, please contact me.

Forum Index : Microcontroller and PC projects : SPI and the Maximite

     Page 1 of 2    
Author Message
MM_Wombat
Senior Member

Joined: 12/12/2011
Location: Australia
Posts: 139
Posted: 09:34am 03 Jan 2012
Copy link to clipboard 
Print this post

Trying to connect a 74HC595 Shift register to the Maximite.

Following an Arduino tutorial, that showed similar tx, and rx to that of spi

arduino: shiftOut(datapin, clockpin, MSBFIRST, coldata)
maximite returnvalue= SPI(tx,rx,clk,data)


My question is, the Maximites maximum speed is 500 KHz (500,000 Hz) but the 74HC595 has a speed of 100 MHz (100,000,000 Hz) a factor of 200x slower..

Will that be a problem?
Keep plugging away, it is fun learning
But can be expensive (if you keep blowing things up).

Maximite, ColourMaximite, MM+
 
Olimex
Senior Member

Joined: 02/10/2011
Location: Bulgaria
Posts: 226
Posted: 09:44am 03 Jan 2012
Copy link to clipboard 
Print this post

no problem to clock faster device with slower clock SPI
 
MM_Wombat
Senior Member

Joined: 12/12/2011
Location: Australia
Posts: 139
Posted: 09:49am 03 Jan 2012
Copy link to clipboard 
Print this post

Ok thanx Olimex

Keep plugging away, it is fun learning
But can be expensive (if you keep blowing things up).

Maximite, ColourMaximite, MM+
 
MM_Wombat
Senior Member

Joined: 12/12/2011
Location: Australia
Posts: 139
Posted: 12:54pm 04 Jan 2012
Copy link to clipboard 
Print this post

WooHoo

Got it working on two 74HC595 chips, one feeds into the other.

When I shift one with a byte, the other receives the previous byte.

Think I found a bug though. Will need to email Geoff, and see...



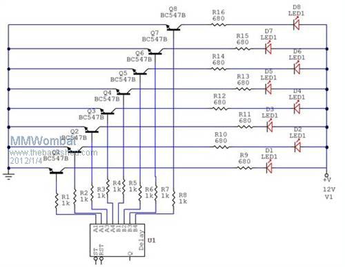
if only I could get it to work with the BC547 transistors, so I can use the 12 volt to power the led string/strip.

I think this is a drawing of the circuit..the resistors and led's would be replaced with an LED strip of about 15 led's. Once I can get it to work on a breadboard.







Don't worry about the chip at the bottom, I just used it because it has eight outputs.

When I turn on the 74HC595, All the led's light up dimly, and the chip doesn't work properly ( not at all even). If I keep the outputs, feed them into reversed led's and resistor's that go to ground then the 74HC595 works perfectly....

Any suggestions for a Newbie..
Keep plugging away, it is fun learning
But can be expensive (if you keep blowing things up).

Maximite, ColourMaximite, MM+
 
CircuitGizmos

Guru

Joined: 08/09/2011
Location: United States
Posts: 1427
Posted: 02:08pm 04 Jan 2012
Copy link to clipboard 
Print this post

Is your ground common between your digital circuit and the 12V supply?
Micromites and Maximites! - Beginning Maximite
 
MM_Wombat
Senior Member

Joined: 12/12/2011
Location: Australia
Posts: 139
Posted: 02:12pm 04 Jan 2012
Copy link to clipboard 
Print this post

@ CircuitGizmos

No. could it be that simple?
Newbie mistake..
Keep plugging away, it is fun learning
But can be expensive (if you keep blowing things up).

Maximite, ColourMaximite, MM+
 
CircuitGizmos

Guru

Joined: 08/09/2011
Location: United States
Posts: 1427
Posted: 02:23pm 04 Jan 2012
Copy link to clipboard 
Print this post

Yes.

Think of it this way: The transistor is acting as a switch to complete the 12V current path between collector and emitter. To do this, there has to be some current flow through the base and emitter. To make that be a loop, the ground of the digital circuit needs to be common to the transistor's 'ground' - in this case the emitter.

Mentally take away the bright LEDs and 12v supply and think of the transistor as an LED you want to turn on. If you think of it that way, you know that a single connection to this imaginary LED isn't going to cut it.

Your mental picture is a loop of current from output through 1k through imaginary LED and back through ground. The base/emitter connection replaces that imaginary LED.


Edited by CircuitGizmos 2012-01-06
Micromites and Maximites! - Beginning Maximite
 
MM_Wombat
Senior Member

Joined: 12/12/2011
Location: Australia
Posts: 139
Posted: 05:11pm 04 Jan 2012
Copy link to clipboard 
Print this post

ok, Thanks very much, will try that tomorrow..
Keep plugging away, it is fun learning
But can be expensive (if you keep blowing things up).

Maximite, ColourMaximite, MM+
 
MM_Wombat
Senior Member

Joined: 12/12/2011
Location: Australia
Posts: 139
Posted: 02:47am 05 Jan 2012
Copy link to clipboard 
Print this post

Just before I do anything I just wanted someone to check my circuit..




Also , I think the current drain is causing the Maximite to heat up too much. Should I get/build another Power source?

Or once I get the transistors to work ok, then the current will drop?

Keep plugging away, it is fun learning
But can be expensive (if you keep blowing things up).

Maximite, ColourMaximite, MM+
 
CircuitGizmos

Guru

Joined: 08/09/2011
Location: United States
Posts: 1427
Posted: 03:00am 05 Jan 2012
Copy link to clipboard 
Print this post

Ground-wise that looks good.

Are you supplying the '595 from the 3.3 of the Maximite? You might want a separate 3.3V regulator/supply. (With common ground...)
Micromites and Maximites! - Beginning Maximite
 
CircuitGizmos

Guru

Joined: 08/09/2011
Location: United States
Posts: 1427
Posted: 03:12am 05 Jan 2012
Copy link to clipboard 
Print this post

If you are interfacing to unknown circuits, you can provide a little bit of protection to your Maximite by using 100 ohm series resistors on the signal lines.

This applies to this circuit and most others. In this and most cases signal lines are hardly affected by the series resistor, but it offers some protection against mishap such as a short to ground.
Micromites and Maximites! - Beginning Maximite
 
MM_Wombat
Senior Member

Joined: 12/12/2011
Location: Australia
Posts: 139
Posted: 03:22am 05 Jan 2012
Copy link to clipboard 
Print this post

Thanks CircuitGizmos

Yes, I think I might purchase a kit from altronics for a variable voltage power supply, that has max current of 1.5A . 3,6,9,12 V out... Kit # K 3220

I assume I just power the new psu from the 12v line..

Thanks for the heads up on the signal lines ( I've already fried one Maximite ). Might need to get another processor chip and replace...

Cheers

MM_Wombat

On the bug in the SPI returned byte. It seems that the result has been rolled to the left bitwise by one bit.

So if I send a 6 to the '595 chip. Next byte sent returns my previous byte, but now it is a 12. If I send anything over a 128 then the returned byte is an ODD Number..

ie 6 returns a 12
47 returns a 94
128 returns a 1
237 returns a 119

So I devised this fix (as well as emailing Geoff with a bug report)

pin(17)=0
pause 1
junk=SPI(18,19,20,datasent)
pause 1
pin(17)=1
If ( junk mod 2) = 1 then
junk= INT(junk/2)+128
Else
junk= junk/2
Endif

Edited by MM_Wombat 2012-01-06
Keep plugging away, it is fun learning
But can be expensive (if you keep blowing things up).

Maximite, ColourMaximite, MM+
 
CircuitGizmos

Guru

Joined: 08/09/2011
Location: United States
Posts: 1427
Posted: 03:45am 05 Jan 2012
Copy link to clipboard 
Print this post

I have to skedaddle. I can't work this out in my head, but is this a situation of clock phase not being right?
Micromites and Maximites! - Beginning Maximite
 
MM_Wombat
Senior Member

Joined: 12/12/2011
Location: Australia
Posts: 139
Posted: 03:57am 05 Jan 2012
Copy link to clipboard 
Print this post

I had two '595's connected together, and the second chip, which receives the first chips return byte, was always just one step behind the first chip. It was only fudging the byte, when it was returned to the maximite.

I don't understand the clock phase thingy, but I did find I had to add a pause of 1 millisecond to read the return byte consistently...

Thanks CircuitGizmos for your help..
Keep plugging away, it is fun learning
But can be expensive (if you keep blowing things up).

Maximite, ColourMaximite, MM+
 
MM_Wombat
Senior Member

Joined: 12/12/2011
Location: Australia
Posts: 139
Posted: 05:16am 12 Jan 2012
Copy link to clipboard 
Print this post

Well I have almost finished, my little test.

spi works ok. Now to work on the input from the user..







Had to put some paper over the led's so I could take the photo..

The test board has 3 leds, per leg. Finished product will have 15.



The Maximite sends the data, via SPI to the 74HC595 chips, 2 in series.

Those chips send data to the darlington transistors (ULN2003AN).

These switch the current through the 12 V to power the led's.

Thanks everyone for any feedback they have given me.



Keep plugging away, it is fun learning
But can be expensive (if you keep blowing things up).

Maximite, ColourMaximite, MM+
 
DaveT
Newbie

Joined: 22/01/2012
Location: Australia
Posts: 2
Posted: 06:07am 22 Jan 2012
Copy link to clipboard 
Print this post

  MM_Wombat said   Just before I do anything I just wanted someone to check my circuit..




Also , I think the current drain is causing the Maximite to heat up too much. Should I get/build another Power source?

Or once I get the transistors to work ok, then the current will drop?

MMWombat - The 74HC595s and the ULN2003s will all run upto 15 volts. Just connect their supply pins to the 12 volts of the LED supply and not the 3.3 volts from the DM/MM. Have the grounds connected common and your 3.3 volt current will drop to normal levels. No need for an extra supply unless the LED supply is too light.
VK2TDT - There are 10 types of people. Those that understand binary & those that don't!
 
MM_Wombat
Senior Member

Joined: 12/12/2011
Location: Australia
Posts: 139
Posted: 12:56am 27 Jan 2012
Copy link to clipboard 
Print this post

@ DaveT

The datasheet for the 74HC595N chips I am using state the maximum is 6V.

Regards MMWombat
Keep plugging away, it is fun learning
But can be expensive (if you keep blowing things up).

Maximite, ColourMaximite, MM+
 
proftim
Newbie

Joined: 09/03/2012
Location: United States
Posts: 1
Posted: 05:10am 12 Apr 2012
Copy link to clipboard 
Print this post

If you are going to use 15 leds in each string in series you are going to need a supply voltage of at least 22 volts.

You could use (three series groups of 5 leds each in series with an appropriate resistor. Then place the three series groups in parallel for use with 12 volts.Edited by proftim 2012-04-13
 
MM_Wombat
Senior Member

Joined: 12/12/2011
Location: Australia
Posts: 139
Posted: 08:59am 12 Apr 2012
Copy link to clipboard 
Print this post

I am using an led string, that only needs 12V to run, as only 3 leds, are running off of 1 current limiting resistor. Each digit segment has 5 of these groups of three, totalling 15 led's. So I already, am using as you suggest! The previous pics had one section of three as a breadboard prototype.

The 2nd prototype Digiboard ( 1000mm x 800mm ) can be seen here(37.1 Mb) , with the floating dollar signs changing position, as the end digit is changed via a membrane switch which inputs on 5 of the Maxi-mites pins, and a small chaser flashing alternately in the top right. In the completed version, the chaser would, of course, encompass the whole board. These operate from the decimal point , as it is not needed in this situation (layout)...

The leds are quite bright so I had to fit cardboard and paper over them to diminish them enough for the video, so the dollar signs are unrecognisable.

MM_Wombat
Keep plugging away, it is fun learning
But can be expensive (if you keep blowing things up).

Maximite, ColourMaximite, MM+
 
Shaz_Au
Newbie

Joined: 31/10/2012
Location: Australia
Posts: 11
Posted: 01:59pm 25 Apr 2013
Copy link to clipboard 
Print this post

Hi MM_Wombat,

I was wondering if you would mind posting your source code for the basic interface to the shift register.

I've looked at some of the code from your DMD and larger displays and it just went straight over my head!

At this stage I'm just trying to emulate what is in the Arduino Shift Out tutorials so I can get my head around it.

Thanks,
Shannon

 
     Page 1 of 2    
Print this page
The Back Shed's forum code is written, and hosted, in Australia.
© JAQ Software 2026