Home
JAQForum Ver 24.01
Log In or Join  
Active Topics
Local Time 18:35 24 Apr 2026 Privacy Policy
Jump to

Notice. New forum software under development. It's going to miss a few functions and look a bit ugly for a while, but I'm working on it full time now as the old forum was too unstable. Couple days, all good. If you notice any issues, please contact me.

Forum Index : Microcontroller and PC projects : World’s first COLOUR Maximite!!

     Page 1 of 3    
Author Message
Nick

Guru

Joined: 09/06/2011
Location: Australia
Posts: 512
Posted: 08:39am 16 Jul 2011
Copy link to clipboard 
Print this post

I finally did it. Had some time this weekend to prototype my simple colour add-on for the Maximite using an experimenter board.

I can now set the text on screen to 1 of 8 colours by issuing the PIN command to control my colour circuit.

This design is still a work in progress and requires refinement but my concept has been proven to work.

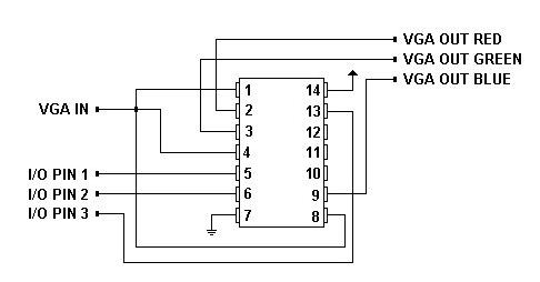
Below is the super simple circuit diagram. Cost of producing, less than $10 (actually less since I had most of the parts).



How it works:

I simply take the single vga line from the MM's vga output connector then split it to 3 inputs of the 4066 Quad Bilateral Switch. By controlling the 3 switches via the PIN command, I can then select into which outputs (red, green or blue) the VGA signal will connect through to. 8 combinations gives 8 colours.

Problems:

Firstly, the 4066 isn't the best switch to use, but I happen to have that one. It has a 300ohm resistance when switched on which darkens the image on screen.

Secondly, the switches are off on power-up meaning your screen is blank. This actually isn't a problem (see below) but for now, I have a BASIC program to AUTORUN then switches them on and all is fine.

Next step:

This hardware is only half the colour mod. The other half require the video firmware to be updated to (1) switch on the device automatically and (2) the additional support of a colour table that represents the colour for each scanline of the display (432 lines). This allows you to have a colour assigned to each scanline that can be changed by POKEing to the colour table.

This mod has the limitation of only 1 colour (+black) per scanline.

8 colour text displays can be had as well as 8 colour graphics for charts as long as they are horizontal.

Games like Space Invaders can be done very easily since this colour technique effectively works like a digital version of the colour cellophane technique employed by the original game.

And, it's nice to be able to boot up to a green or amber (yellow) screen rather 1970's black & white.

Any suggestions for improvements, especially a replacement for the 4066 is welcome.

May I stress that the goal of this mod is ULTRA cheap and NO hardware modification to the Maximite itself. It's just a plug in and go add-on (+ firmware upgrade).


 
stuarts

Senior Member

Joined: 15/06/2011
Location: Australia
Posts: 199
Posted: 01:41pm 16 Jul 2011
Copy link to clipboard 
Print this post

Nick, with a bit of work and no firmware upgrade, you could probably get this working with an external RAM and a counter. If you can get the counter to reset on the vertical blanking period and count each scan line, you could get it to provide memory addresses to the RAM as the video is displayed. You just have to be able to get the colour information into the RAM for each scan line. I am sure with a bit of work that this could be achieved via the Maximite expansion port.

Its actually not much different to the first computer that I had that used a hardware counter to scan the display memory to provide ascii information to the character ROM.
From memory the counter was clocked by the pixel clock and it was used to provide addressing information for the pixel across the character and the scan line of the character. It had to run much faster than what you are requiring.

As to the 300 ohm resistance of the 4066, as you dont need the bidirectional feature of the 4066, could you just use a gate of some description.
If it isn't running at a voltage not compatible with logic levels, could you just use a FET of some description to do the same. You can get them down to the milliohm level.

I haven't looked at the voltages on the video so this may not work well. I do remember one of the very early ETI audio amps using a 7404 inverter with the output connected to the input to force it into linear operation. Maybe another more complex gate could be convinced to work in a similar mode.

Stuart
Time is nature's way of keeping everything from happening all at once.
 
Nick

Guru

Joined: 09/06/2011
Location: Australia
Posts: 512
Posted: 08:00pm 16 Jul 2011
Copy link to clipboard 
Print this post

Good suggestion Stuart.

Unfortunately, my hardware skills aren't to the level to achieve this.

Hopefully, someone will take this idea and add to it as you suggested. The big advantage of this approach is that it is a completely plug-in, no-internal mods solution to providing basic colour to the Maximite. Anyone who has built the Maximite can add this upgrade to get colour.

We could utilize more of the I/O pins (I only use 3 out of 20) to have it address some external memory, maybe a small PIC could be used. This would also have the advantage of using NONE of the Maximite's memory. Maybe use a small PIC to act as the colour table AND the switcher?

I wish I knew PIC programming. I have a PIC programmer. Can anyone suggest a PIC chip that is small, cheap, has at least 432 bytes of memory and could act as the switcher?
 
Nick

Guru

Joined: 09/06/2011
Location: Australia
Posts: 512
Posted: 10:20pm 16 Jul 2011
Copy link to clipboard 
Print this post

Anyone know where the best place to get a Maxim MAX312L from?

"Maxim’s MAX312L/MAX313L/MAX314L analog switches
feature low on-resistance (10Ω max) and 1.5Ω onresistance
matching between channels. These switches
are +3V logic compatible when powered from ±15V or
+12V supplies. The switches conduct equally well in
either direction, and offer low leakage over temperature
(2.5nA at +85°C).
The MAX312L/MAX313L/MAX314L are quad, singlepole/
single-throw (SPST) analog switches. The MAX312L
is normally closed (NC), and the MAX313L is normally
open (NO). The MAX314L has two NC switches and two
NO switches. All three devices operate from a single
+4.5V to +36V supply or from dual ±4.5V to ±20V, and
are available in 16-pin TSSOP, SO, and DIP packages."
 
stuarts

Senior Member

Joined: 15/06/2011
Location: Australia
Posts: 199
Posted: 10:50pm 16 Jul 2011
Copy link to clipboard 
Print this post

Nick Futurlec have the MAX313 on their pricelist for $5.90.

The problem that you have where the 4066 is not switched on until you set the pin direction and level could probably be fixed with a relatively high value resistor to pull up or down. Haven't had a chance to have a look at what level you need to switch it on. The same should work with almost any analog switch.

Stuart
Time is nature's way of keeping everything from happening all at once.
 
Nick

Guru

Joined: 09/06/2011
Location: Australia
Posts: 512
Posted: 10:55pm 16 Jul 2011
Copy link to clipboard 
Print this post

  stuarts said   Nick Futurlec have the MAX313 on their pricelist for $5.90.

The problem that you have where the 4066 is not switched on until you set the pin direction and level could probably be fixed with a relatively high value resistor to pull up or down. Haven't had a chance to have a look at what level you need to switch it on. The same should work with almost any analog switch.

Stuart


The MAX312L defaults to on, perfect for our needs. And cheap too!

Thanks for the link to futurlec. I'll look them up.

Edited by Nick 2011-07-18
 
stuarts

Senior Member

Joined: 15/06/2011
Location: Australia
Posts: 199
Posted: 11:12pm 16 Jul 2011
Copy link to clipboard 
Print this post

Nick, they dont seem to have the MAX312 unfortunately

Stuart
Time is nature's way of keeping everything from happening all at once.
 
crackerjack

Senior Member

Joined: 11/07/2011
Location: Australia
Posts: 164
Posted: 11:29pm 16 Jul 2011
Copy link to clipboard 
Print this post

Element14 - ex Farnell- have MAX312 but not very cheap...
 
Dave Everett
Regular Member

Joined: 24/06/2011
Location: Australia
Posts: 43
Posted: 12:46am 17 Jul 2011
Copy link to clipboard 
Print this post

  Nick said   Anyone know where the best place to get a Maxim MAX312L from?

"Maxim’s MAX312L/MAX313L/MAX314L analog switches
feature low on-resistance (10Ω max) and 1.5Ω onresistance
matching between channels. These switches
are +3V logic compatible when powered from ±15V or
+12V supplies. The switches conduct equally well in
either direction, and offer low leakage over temperature
(2.5nA at +85°C).
The MAX312L/MAX313L/MAX314L are quad, singlepole/
single-throw (SPST) analog switches. The MAX312L
is normally closed (NC), and the MAX313L is normally
open (NO). The MAX314L has two NC switches and two
NO switches. All three devices operate from a single
+4.5V to +36V supply or from dual ±4.5V to ±20V, and
are available in 16-pin TSSOP, SO, and DIP packages."


You can order free samples from Maxim, straight from their website, I have done so before without jumping through any hoops.

Dave
 
sparkey

Senior Member

Joined: 15/06/2011
Location: Australia
Posts: 819
Posted: 01:41am 17 Jul 2011
Copy link to clipboard 
Print this post

dear nick when yo have finally worked out the deatails and either you can supply me with the unit in question or may be don will have some of these built for the end user to plug into the maxi i would gladdly pay for this up grade even give money to actulyy have it built for me a 4066 chip who would of thought its a insperation of engineuity ... your the best regards sparkey... and sorry i have not read stu`s notes or even the whole post but the concept is simple you are an artist .. dont stop ...
technicians do it with least resistance
 
Nick

Guru

Joined: 09/06/2011
Location: Australia
Posts: 512
Posted: 02:02am 17 Jul 2011
Copy link to clipboard 
Print this post

  sparkey said  but the concept is simple you are an artist .. dont stop ...


Wow, thanks for the complimentary words. (Do I pay you 50 bucks now or later?)

Wait till I ditch the 4066 and get the circuit working better. There may be people who can suggest ways to improve over my simple design. The design as it stands is cheap so it has scope for more.

Or someone will come up with a better idea (a better 'artist').
 
stauros2

Newbie

Joined: 17/07/2011
Location: Australia
Posts: 2
Posted: 07:45am 17 Jul 2011
Copy link to clipboard 
Print this post

Excellent! You did it!
Nice, simple elegant design. Good work Nick.
Can't wait to see it operating.
 
Glenn

Newbie

Joined: 14/06/2011
Location: Australia
Posts: 29
Posted: 08:00am 17 Jul 2011
Copy link to clipboard 
Print this post

have a look at FST3125 and FST3126 parts.

4 in a package. the 2 differ in the logic level to drive them non/off is inverted on one device

Farnell have them


glenn
VK3PE
 
brucepython

Regular Member

Joined: 19/06/2011
Location: Australia
Posts: 64
Posted: 08:32am 17 Jul 2011
Copy link to clipboard 
Print this post

A nifty solution, Nick. Congratulations on being a lateral thinker!
Hang in there with the refinements: thanks to Murphy's Law, they're usually the most difficult part.
 
Nick

Guru

Joined: 09/06/2011
Location: Australia
Posts: 512
Posted: 08:59am 17 Jul 2011
Copy link to clipboard 
Print this post

  Glenn said   have a look at FST3125 and FST3126 parts. 4 in a package. the 2 differ in the logic level to drive them non/off is inverted on one device


Very good Glenn. This is 'almost' perfect. It does everything it needs to do but it's not a standard pin design that I can use on my experimenter board.... and my hand is not steady enough to do surface mount soldering.

The MAX312L is the best bet for me so far except that it is expensive at almost $10 and harder to find a local supplier. The FST3125 is under $2, great!


 
sparkey

Senior Member

Joined: 15/06/2011
Location: Australia
Posts: 819
Posted: 09:23am 17 Jul 2011
Copy link to clipboard 
Print this post

nick could this unit be in a daisy cain arrangement so we can still have acess to the other "i/O" pins....well done all great things take time and refinement to implicate an exact processEdited by sparkey 2011-07-18
technicians do it with least resistance
 
sparkey

Senior Member

Joined: 15/06/2011
Location: Australia
Posts: 819
Posted: 07:30pm 17 Jul 2011
Copy link to clipboard 
Print this post

ok nick and all others concxerned with your application is there a few bloks here trying to impelement my thoughts on a practical side of things hope to hear from any feed back on this execellent implication...regars sparky
technicians do it with least resistance
 
Nick

Guru

Joined: 09/06/2011
Location: Australia
Posts: 512
Posted: 11:34pm 17 Jul 2011
Copy link to clipboard 
Print this post

I've ordered the MAX312 AND FST3125 from Farnell. I'll use the MAX312 for my experimenter board but both chips I think will do the job. These chips both fix the problem that the 4066 has that sets the switches to off by default (no output).

Once I get the video levels back to full brightness, I'll try expanding the colour palette to 16 colours using the extra switch on the chip that I'm not currently using.

My idea is to use a fourth I/O pin to control this last switch and activate a resistor (or something) to lower the incoming VGA levels to half. This effectively doubles the palette from 8 to 16.

Can anyone help me (an electronics novice) with the best way to lower the level on the incoming VGA? Is there more to it than just a pulldown resistor?

Little by little the mod gets better. 16 million colours next?



 
stuarts

Senior Member

Joined: 15/06/2011
Location: Australia
Posts: 199
Posted: 06:57am 18 Jul 2011
Copy link to clipboard 
Print this post

Nick, I've had this idea wandering around in the back of my head, stewing and bubbling away. At the moment you are trying to switch the existing video pixel signal to multiple pins in a vga connector. I'm starting to think that it would be easier to convert the video back to a logic level signal, then there are lots of ways to manipulate the colours using the signals from the I/O pins. Then after doing the switching, convert it back to the video level. In the Excalibur, the colour number was fed into a fuse prom that was programmed with the video bits to generate the colours. The colours were entirely generated in the prom and not in the logic surrounding it.

The video levels could be regenerated in a similar way to the way its done on the Maximite. Using the sync signals in the VGA connector to mix with the video to provide the blanking levels on the video.

This way there is no need for an analog switch as you have envisioned. I'll have a bit more of the think about this. I'll need to look at the video on a CRO to see just what the levels are and how practical it is to reconstitute the video.

I think that we could do worse than to use the output circuit from the Excalibur which was a simple single transistor amplifier from memory.

Stuart
Time is nature's way of keeping everything from happening all at once.
 
Nick

Guru

Joined: 09/06/2011
Location: Australia
Posts: 512
Posted: 08:21am 18 Jul 2011
Copy link to clipboard 
Print this post

I don't quite understand Stuart. I don't see what's to be gained by converting to logic level.

Also, will this method hinder my plan to extend the palette to 16 colours?

A question: Does the Maximite have additional I/O pins that didn't make it to the I/O connector?

I'm thinking that when I have finalised the design, if an internal mod board could be made that utilised these extra pins and tap the vga directly from internal. This leaves the I/O pins at the back free. Just rolling ideas in my head.
 
     Page 1 of 3    
Print this page
The Back Shed's forum code is written, and hosted, in Australia.
© JAQ Software 2026